光伏二次设备
返回列表
产品介绍
产品概述
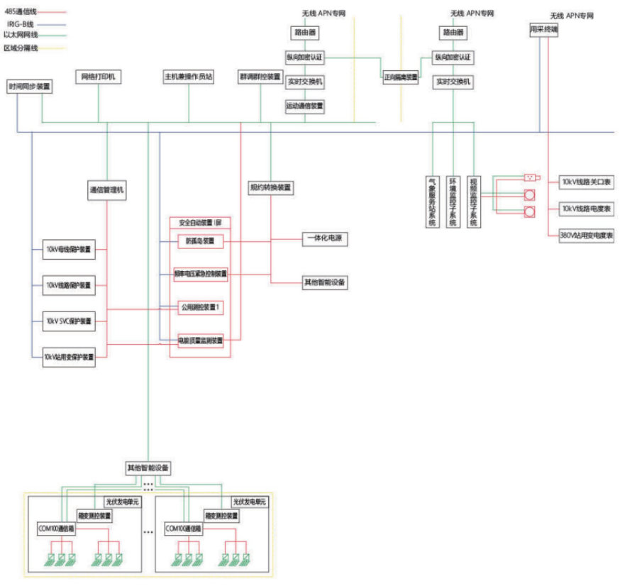
光伏二次设备一般用于高压光伏并网系统中。分布式光伏发电项目,一般多为10KV并网和400V并网。其中400V并网项目一般涉及到的二次设备比较少,常见的有电能质量在线监测装置、防孤岛保护装置等等。对于10KV并网发电的项目,容量多为10MW以内,涉及到的二次设备就相对多一些了,而这其中涉及的常见二次设备有光伏后台监控系统、远动通讯屏、调度数据网屏、光伏二次安防屏、光伏二次设备预制舱、防孤岛保护装置、电能质量在线监测装置、故障解列装置等。

首页
产品中心
新闻资讯
联系我们